Смотреть видео: Ak5195 10 схема платы



Ak5195 10 схема платы

Ak5195 10 схема платы
HAIER 21F3AT W90DL-092-Q TMPA8803CPAN-3GV1 , STRF6654 , LA7840 , TDA2611 TV
Применяемость и схемы включения ПЗС-сенсоров SONY и PANASONIC для видеокамер R
Schematic Diagrams: LGXCS62F LGXC62 MINI HI-FI SYSTEM SCHEMATIC DIAGRAM
Végső Vinnyog Hatékony lhd6235 távirányító alkalmazkodás érzékelhető Folyadék
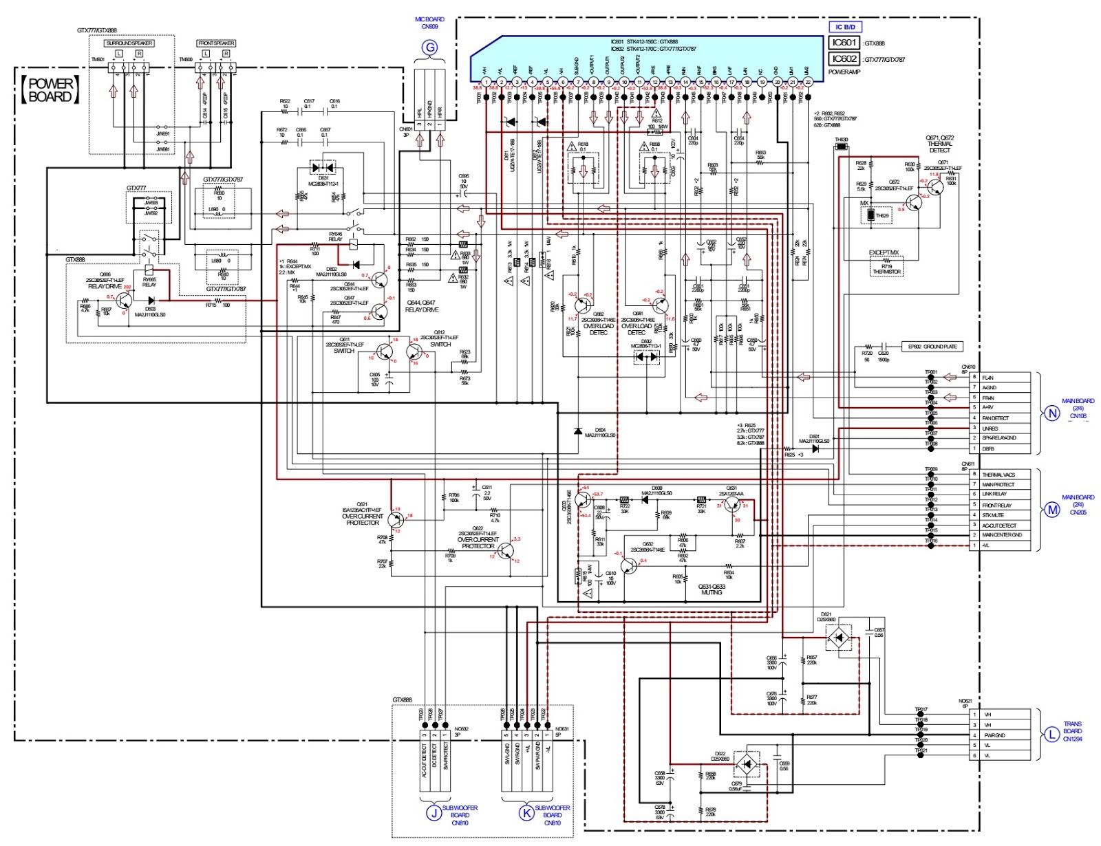
Electro help: Sony HCD-GTX777 Error codes power amplifier and sub-woofer amp
Светодиодный фонарь дополнительного сигнала торможения УАЗ 3162, 2,3 л, 2004 г
Kdc 231 1m принципиальная схема
Импульсный Стабилизатор Напряжения Импульсные источники питания, инверторы Ф
Схема блока управления EDT0117.11 YouTube
20 Electrical Wiring Diagram Software Design , https:///20-electr
ASUS PRO79I martwy po zalaniu * Forum ELVIKOM
Контент sima8520 Страница 21 Форум по радиоэлектронике
ARISTON AL-129X ELECTRIC MODUL SCH Service Manual download, schematics, eeprom,
Electro help: 3-CD CHANGER DVD SCHEMATICS LG LM-U550A, LM-U550D, LM-U550XL
Ошибка 4Е / Е1 / ЧЕ / 4E в стиральной машине Самсунг что делать РемБытТех
TCL 01-P152C0-PWC1XG PW152C0 PSU SCH Service Manual download, schematics, eeprom
С.М.А. LG F1020NDR s/n904RATS28041, проблеммы с модулем по питанию Ремонт стир
Music Speakers с дисплеем на ИВ-22 Сообщество "Электронные Поделки" на DRIVE2
Усилитель Из Домашнего Кинотеатра. Как Запустить Прочее Форум по радиоэлект
P10 Led Module Circuit Diagram
Миру Мир! DC41-00049A если не ошибаюсь этот модуль помогите пожалуйста с подкл
Schematic Diagrams: FUSION FP-9001D CIRCUIT DIAGRAM and EXPLODED VIEW
Шасси 01-0MS88A-MAC2X схема 01-0MS88A-MAC2X Все для ремонта электроники
Cv9632h a50 фото Сервис Левша
Плата интерфейса для стиральной машины BEKO (БЕКО)
Electro help: LG LH T3039X LG LH T3530X POWER AMP and SMPS SCHEMATIC
Electro help: POWER AMP SCHEMATIC LG LM U1060 LMS U1060 3-CD CHANGER HT
2851540780 Модуль управления стиральной машины Модули управления и дисплеи стира
B 794 beko схема платы
Электронный модуль управления BEKO :: ДиК сервисная служба город Владимир
Счастье и разочарование покупатель получил RTX 5080 FE с логотипом RTX 5090
сма BEKO WKB51031, Требуется фото модуля Ремонт стиральной машины Ответ 1186
Tb 8704x схема
АЦП MS5194T и MS5195T производства Ruimeng для измерительного канала
BOSE WAV RADIO Service Manual download, schematics, eeprom, repair info for elec
VESTEL 11AK37-10 CHASSIS SCH Service Manual download, schematics, eeprom, repair
LG консультация
Lm k3730x схема
Sjt5004 30e схема
DVD Receiver Lg LH T255X Дисковые проигрыватели CD и DVD Форум по радиоэлект
pinnaclehomesus Digital Audio Interface LQFP 64 pin AK4115VQ Ashai Kasei Busines
BEKO 20.2 MAIN BOARD SCH Service Manual download, schematics, eeprom, repair inf
DC2229A-B Schematic
Electro help: LG LPC-LM530A MP3 CD CASSETTE Circuit Diagram
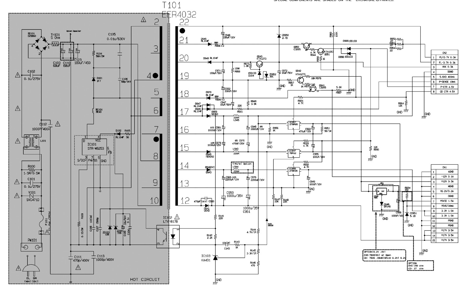
Electro help: POWER SUPPLY SMPS SCHEMATIC Sony FD Trinitron KV32FX66 KV28F
Ak5195 10 схема (88 фото)
Картинки SERVICE MANUAL 2015
Ak5195 10 схема: найдено 88 картинок
подключение электронного модуля "на столе" сма BEKO WKY 61031 AK5195-10
2826920100 B7S_G10_B04_T01 REV:B7S_5900AB B7S_G10 BY AR001870 AK5 appliancespare
2826920100 B7S_G10_B04_T01 REV:B7S_5900AB B7S_G10 BY AR001870 AK5 appliancespare
сма BEKO WMB51021s, нужна схема подключение на столе Прошивка, дамп Ответ 11
2826920100 B7S_G10_B04_T01 REV:B7S_5900AB B7S_G10 BY AR001870 AK5 appliancespare
2826920100 B7S_G10_B04_T01 REV:B7S_5900AB B7S_G10 BY AR001870 AK5 appliancespare
Ответы : Добрый день. Плата стиральной машины
Электронный модуль управления BEKO c дисплеем :: ДиК сервисная служба город Вл
СМА BEKO WKB 51031 PTMA опознать детали модуля
Опознать номиналы и параметры компонентов smd,сма BEKO