Смотреть видео: Str f6654 схема тока



Str f6654 схема тока

Str f6654 схема тока
T0P2O2YA1 PWM monolithic integrated circuit diagram Basic_Circuit Circuit Di
STRF6168 (б/у) Электронные компоненты и принадлежности АлиЭкспресс
Str g5653 схема блока питания
Купить Интегральная микросхема (金 成 发)测 好 strf6654 str-f6654 电 源 厚 模 块 в интерне
Купить 1 шт. STRF6654 STR-F6654 в линии TO-3P-5 силовой модуль из Китая
DIAGRAM Diagrama Lg Chassis Sc 023a
Str F6653 Circuit Diagram
тв ONIDA 21 NVR (б.п. на STR-F6655) Ищу схему
russian по низкой цене! russian с фотографиями, картинки на f6654 ул
Electro help: Daewoo-Sony VX 14A1 VX14AW1 VX21AW1 Circuit Diagram TV-VCR
Schematic Diagrams: CTV SMPS CIRCUIT DIAGRAM STR-X6750F AS POWER SWITCHING Cir
STR50103A
MARSONOTV: Sony power suply STR6656 tidak mau start
Str6654 аналоги
F6654 транзистор характеристики схема подключения
LG CF-21D31 (шасси: MC-019) Форум
russian по низкой цене! russian с фотографиями, картинки на f6654 ул
Товары SC купить в компании TRD в Великом Новгороде
Микросхема STRF6654 (6656) купить с доставкой по выгодным ценам в интернет-маг
STRD6601
Схема включения str f6654
Ответы : это у нас какой тип преобразователя
Electro help: STR-G8626_STR-G5653_STR-F6654 POWER SWITCHING REGULATORS DETAILS
STR-G8656 开 关 电 源 厚 膜 块 参 数 和 应 用 电 路 家 电 维 修 资 料 网
Kumpulan Skema TV Sharp IC TDA9381ps Terlengkap
Ответы : Срочная помощь!
STR G6351 Data Sheet и др.техническая информация KenotronTV
STRF6656 Original supply, US $ 2-5 , Sanken Sanken electric, STRF6656 Supplier -
STRF6653 даташит ETC техническое описание радиодетали, STR-F6653 / STR-F6654 Blo
Так случилось шо понадабилась мне шимка MC44608p40 но в местном магазе ее нет, а
STRF6653 даташит ETC техническое описание радиодетали, STR-F6653 / STR-F6654 Blo
STR-F 6654, Tube STR-F6654; Röhre STR-F 6654 ID63670, IC I
STR-F6622 Datasheet PDF , Sanken Electric co.,ltd. : SMPS primary IC, 400V, 190W
Pin on switch mode Electronic schematics, Diy electronics, T games
التقنيات الحديثة في دوائر القدرة المفتاحية SMPS
SHARP 21AG1-S(РЕШЕНО)
Микросхема STR54041 ШИМ-контроллер для ипульсных блоков питания со встроенным
ТВ LG CF20D33E Форумы сайта "Отечественная радиотехника 20 века"
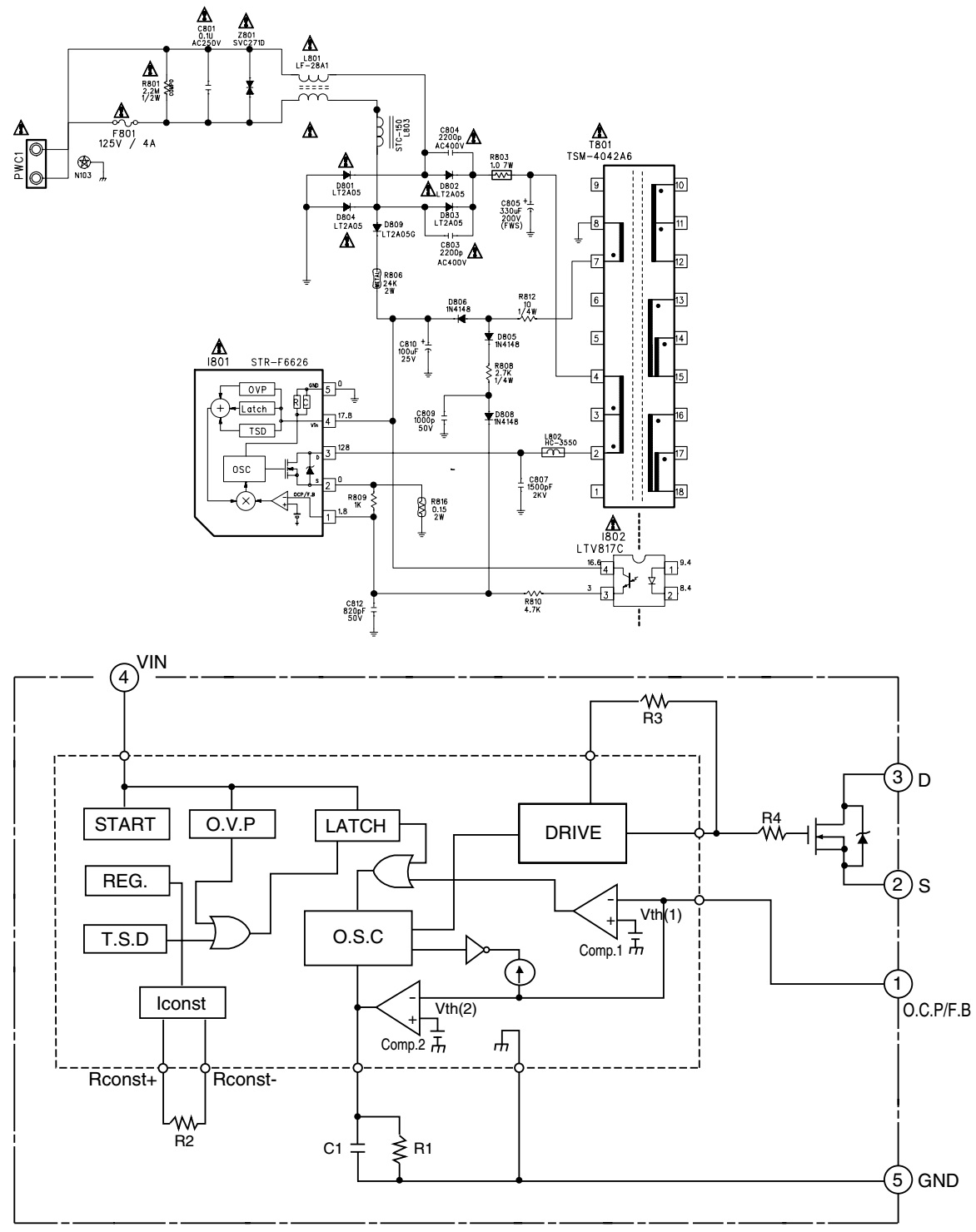
Схема STR-F6654_SHASSIS MC-83A Data Sheet и др.техническая информация Keno
F6654 транзистор характеристики схема подключения
Ламповые усилители реальность и иллюзии Форум
Отзывы на 5шт STRF6654 микросхема от покупателей OZON
Akai PDP4210EA1 схема блока питания STR-F6267 Все для ремонта электроники
STR-W6654 ไ อ ซ เ พ า เ ว อ ร ซ พ พ ล า ย ท ว
Str W6654 Circuit Diagram
Str F6654 Circuit Diagram
STR-F6600 Datasheet Off-line Quasi-resonant Flyback Converter ( Pinout
Electro help: NEC DTE-29U1TH PF68T32 SCHEMATIC Circuit Diagram Using ICs -
Системы безопасности
perbaikan alat elektronik: SKEMA STR-F6654
Str F6654 Circuit Diagram
Типовые дефекты шасси CL TV Service
STR-F6654
G6653 схема включения: Ремонт блока питания телевизора. Состав STR6653 (ШИМ-конт
Str w6654 аналоги
Pin by Bishnu Chetri on smps Power supply, Power supply circuit, Switched mode p
F6654 схема блока питания str
LG crt tv power supply problem repairing YouTube
Vitel шасси WP-811 не запускается БП, щёлкает.