Смотреть видео: Tda4605 схема блока питания



Tda4605 схема блока питания

Tda4605 схема блока питания
at_psu_1.gif (1000 × 733)
Вопросы по импульсным источникам питания (ИИП) Страница 709 Импульсные источ
Принципиальная схема стабилизированного блока питания. Принципиальная схема, Рад
TDA7222 datasheet
схема тв philips 14pt1548/01 шасси PT92P Схемы и сервис-мануалы
A-service, phone repair, Rostov-on-Don, Zorge Street, 31 Yandex Maps
Форум РадиоКот * Просмотр темы БП от свитча 3Com
Краткий справочник по микросхемам TDA " РадиобукА
Tda9381ps Схема Телевизора
Методика поиска неисправности блока питания на примере ремонта. Ремонт торговой
TDA4863G tda4863g_2 Все для ремонта электроники
Микросхема TDA4863G купить в интернет-магазине по низкой цене на Яндекс Маркет
бп схема Старые компьютеры, Электроника, Колонки
BEKO 12.1 POWER SCH Service Manual download, schematics, eeprom, repair info for
Дипломная работа: Проектирование управляющей ИМС для импульсных источников питан
Medion chassis 11AK41 проблема с БП
Микросхема TDA4601B ШИМ-контроллер для ипульсных блоков питания
Блок питания на TH2167.1 Копии схем и печатных плат устройств попавшие ко мне
TDA4605 Datasheet PDF STMicroelectronics
TDA4605D Datasheet ST Microelectronics pdf data sheet FREE from .n
Контент LapinEgor Форум по радиоэлектронике
Tda8357J Circuit Diagram
Документация и описания
Микросхема STK7348 ШИМ-контроллер для ипульсных блоков питания со встроенным с
Electro help: PANASONIC TX25MD1 POWER SUPPLY SMPS VIDEO OUTPUT SCHEMATIC C
Блок Питания D-Link. Микросхема A6351 Песочница (Q&A) Форум по радиоэлектрон
Помогите выбрать правильный драйвер Общие вопросы по приборам и компонентам
Микросхема TDA4601B ШИМ-контроллер для ипульсных блоков питания
Усилитель для компьютера с управлением на МК Усилители гибридные Звуковоспро
Микросхема TDA4601 ШИМ-контроллер для ипульсных блоков питания
Зарядное устройство на микросхеме TOPSwitch Зарядные устройства и аккумуляторы
STR-F6552 Справочник по микросхемам
Микросхема TDA8380 ШИМ-контроллер для ипульсных блоков питания
Применение комбинированного контроллера TDA16888 в типовых источниках питания Ст
Общее описание микросхем TDA4605 и ТDА4718
АЗЫ ДЛЯ НАЧИНАЮЩЕГО ТЕЛЕМАСТЕРА
Контент Vovanchik Страница 40 Форум по радиоэлектронике
Electro help: SMPS POWER SUPPLY TDA4605_TDA8138 IC BASED FORMENTE-F19
Схема блока питания на микросхеме tda4605
Ещё о сладкой парочке в Самсунге.
Ремонт источника питания телевизора. Состав ШИМ-контроллер TDA4605 (аналоги КР10
Перейти на страницу с картинкой
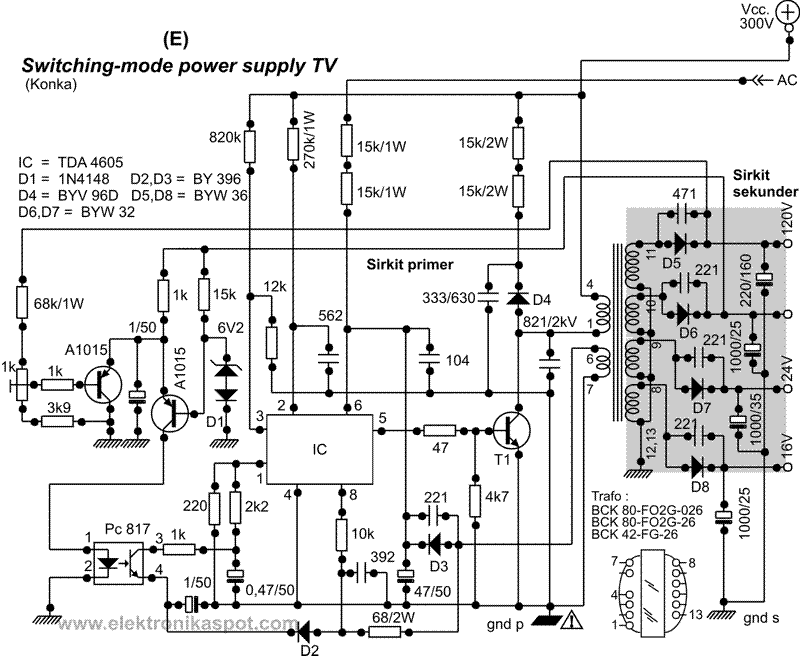
Memperbaiki Power-Supply TV Yang Menggunakan IC (2) Elektronika Spot
Tda4605 схема
Импульсный источник питания на микросхеме КР1033ЕУ10 (27В, 3А)
Контент Vovanchik Страница 40 Форум по радиоэлектронике
Buz90 datasheet: BUZ90, Транзистор полевой, N-канал, Id=4.5А, Vdss=600В, Vgs(th)
АЗЫ ДЛЯ НАЧИНАЮЩЕГО ТЕЛЕМАСТЕРА
Неисправность блока питания телевизора: найдено 84 картинок
Схемы блока питания телевизора Beko на микросхеме TDA4605, принцип работы и хара
Tda4605 схема блока питания: Схемы блока питания телевизора Beko на микросхеме T
Всем привет. Решил взяться за ремонт телевизора Samsung CK-5085ZR. В нем 2 неисп
基 于 TDA4605 集 成 电 路 的 开 关 电 源 电 路-电 源 电 路-维 库 电 子 市 场 网
Tda4605 3 схема блока питания: Схемы блока питания телевизора Beko на микросхеме
Tda7052 Circuit
TDA4605-2 прочие
Микросхема TDA4605 ШИМ-контроллер для ипульсных блоков питания
Блок питания на микросхеме TDA4605 для галогенных ламп
Ответы : Вопрос про импульсный блок питания