Смотреть видео: Блок питания 5в схема



Блок питания 5в схема

Блок питания 5в схема
Знакомство с принципиальной схемой электрооборудования Начинающим YouTube
Бп 18 Вольт 6 Ампер Для Fm Передатчика Схема Схемотехника для начинающих Фор
Простой лабораторный блок питания своими руками
Блок питания своими руками: регулируемый, 12В, 0-30В, ремонт
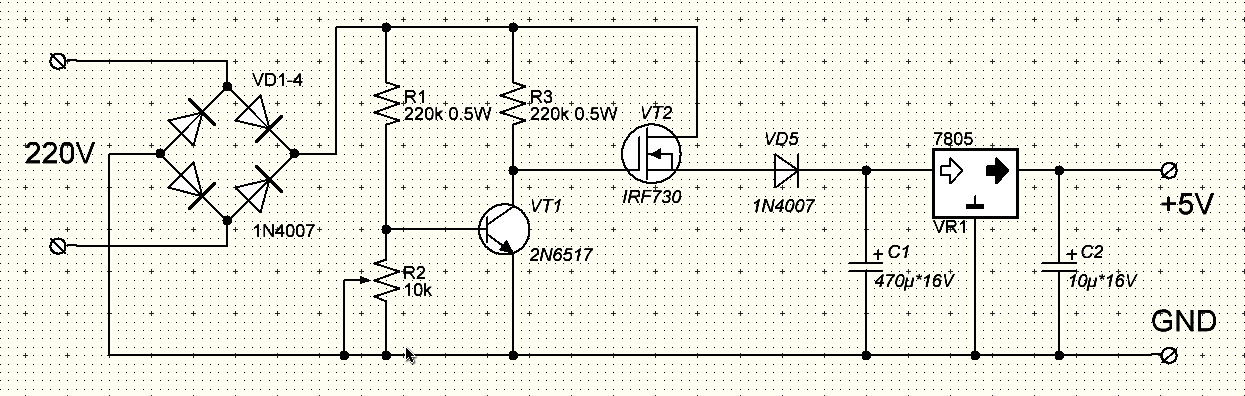
Конструктивно блок питания выполнен на печатной плате из фольгированного стеклот
Интегральный стабилизатор 78L05: описание, примеры подключения, datasheet joyta.
431 схема на TL431 Страница 27 Аналоговые блоки питания и стабилизаторы напр
Напряжение питания любительских радиоприёмников Форум радиолюбителей
РК-П03, Блок питания 1,2...25В, 5А стабилизированный
Простой стабилизированный источник питания 12В/3А
Бестрансформаторный источник питания. Схема и описание
* Просмотр темы Управление симистором напрямую от МК +бестр
Импульсное зарядное устройство…или снова косяк) DRIVE2
Блока питания 12в 5а схема Принципиальная схема, Радиолюбитель, Радио
Форум РадиоКот * Просмотр темы Мелкие вопросы по питанию.
Схема блока питания для компьютера " Светодиоды и электронные схемы
Простые схемы блоков питания. Для начинающих. Часть 2 -импульсный. Лайфхаки по р
spojka hasič Podobný power supply schematic botanik konzultant Sanders
Питальник светодиодного софита DRIVE2
Делаем сами своими руками.: Блок питания с регулируемым выходным напряжением о
Стабилизатор напряжения 12 вольт 10 ампер
Ответы : Нужна схема блока питания БП-9/60
Блок питания 12в 15а
Получить 0,7 Вольт (20мА) с 220 В (питание розетки) Аппаратная платформа Arduino
Ответы : Зарядка смартфона
Ответы : Должен выдавать от 0 до 20 вольт, а выдает от 17 до 24.
blok-pitaniya-5v-i-12v-na-stabilizatore-napryazheniya-tipa-kren1 Электроника, Ра
Стабилизированный блок питания 3-12В/0,25А (142ЕН12А)
Схемы компактных импульсных блоков питания на 5В (LNK520P, LNK363, LNK616)
Контент DO G97 Страница 41 Форум по радиоэлектронике
Ответы : Нужна схема блока питания БП-9/60
Получить 0,7 Вольт (20мА) с 220 В (питание розетки) Аппаратная платформа Arduino
Схемы компактных импульсных блоков питания на 5В (LNK520P, LNK363, LNK616)
Схема бп 12в 5а
Двуполярный источник питания 12В/0,5А (К142ЕН1Г,КТ805)
Ответы : самая простая схема для начинающего радиолюбителя
12 Вольт 5 Ампер блок питания китайского производства + мой личный рецепт
Ответы : Подскажите пожалуйста схему хорошего бестрансформаторно блока пи
Комбинированный блок питания 0-215В/0-12В/0,5А
Форум РадиоКот :: Просмотр темы Подходящий блок питания
Блок питания 12В 5А
Схемы компактных импульсных блоков питания на 5В (LNK520P, LNK363, LNK616)
Ответы : Кто подскажет схему регулирующую для блока питания 7.5 -8 вт
Блок питания Ступенька 5 9 12В на ток 1A
Блок питания для часов 1,5В Все своими руками
Ответы : помогите со схемой. нужна простенькая схема для регулировки обор
Сетевой блок питания на 5В, 100мА без трансформатора на (UCC28880D)
Ответы : Блок питания конденсатора
Форум РадиоКот * Просмотр темы Мелкие вопросы по питанию.
Форум РадиоКот * Просмотр темы Определить (не измерить) наличие АС низкое напр
Стабилизированный Бп С Выходами 9, 12 И 18 В Аналоговые блоки питания и стабил
РадиоКот :: Импульсный БП 5В, 1,5А на TNY264P.
Ответы : Переделка блока питания!
Купить Радиоконструктор RP018. Стабилизированный блок питания (15 В ; 1 А) по ни
Контент Александр73ул Страница 14 Форум по радиоэлектронике
Схемы компактных импульсных блоков питания на 5В (LNK520P, LNK363, LNK616)
Ответы : Как узнать как идет ток по элек. схеме и где плюс и минус
Ответы : Помогите пожалуйста мне электрическую принципиальную схему заряд
Простой блок питания 5В/0,5А (КТ807)