Смотреть видео: Н мост на биполярных транзисторах кт803а



Н мост на биполярных транзисторах кт803а

Н мост на биполярных транзисторах кт803а
H мост
mosfet H-Bridge driver circuit design Electrical Engineering Stack Exchange
Ответы : Что можно сделать из транзистора КТ940А
Ось ваші щотижневі рекомендації! Electronics projects diy, Electronic engineerin
Форум РадиоКот * Просмотр темы H-мост
What is the direction of current flowing through the freewheeling diodes in H-br
How to Control the H-Bridge Qik 2s12v10 Dual Serial from POLOLU MisCircuitos.c
MOSFET H-Bridge motor control in break mode. Electronic circuit design, Simple c
motor What is the purpose of these extra 'level shifter' BJTs on a MOSFET H-Br
Файл:2 simple bridge Wiki
17 Н мост на полевых транзисторах YouTube
H-Bridge issue Motors, Mechanics, Power and CNC Arduino Forum
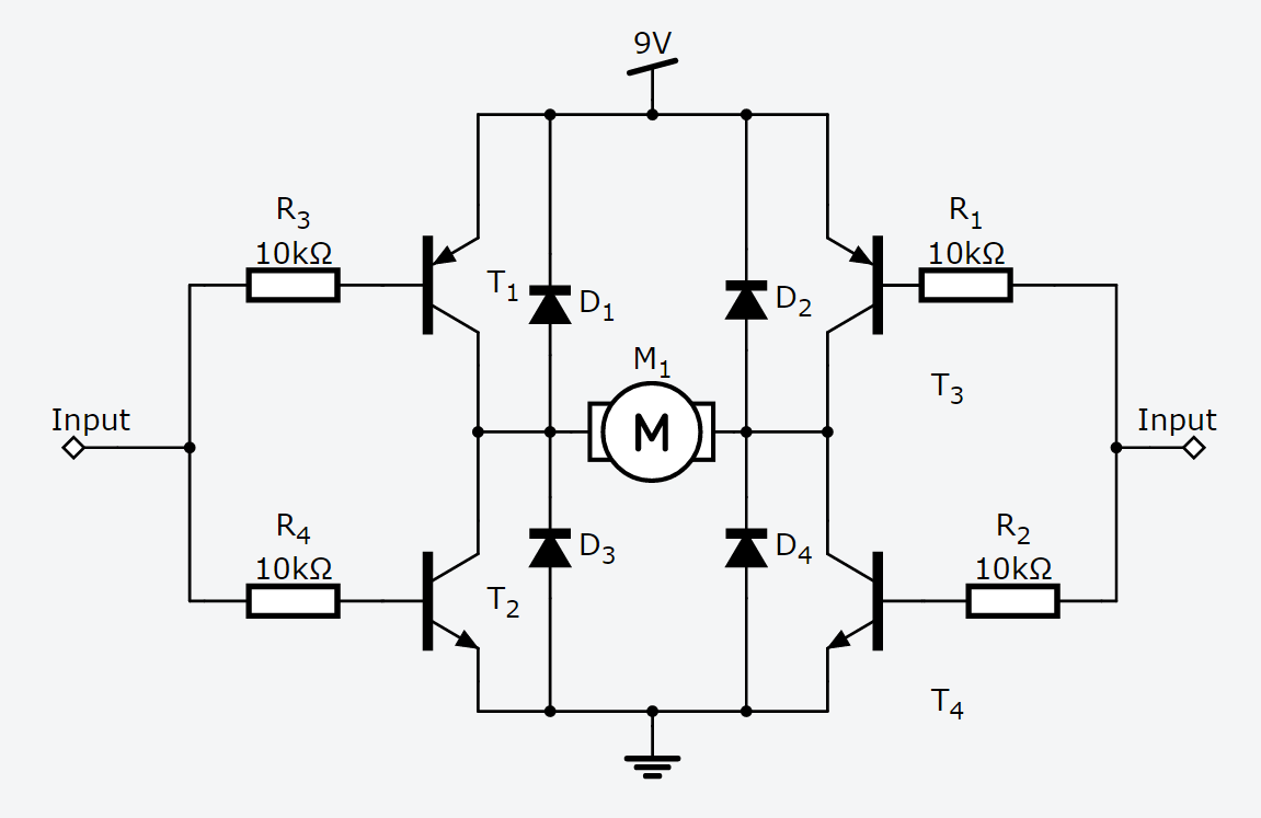
Basic H-bridge motor driver circuit using bipolar transistor
Полу н мост: найдено 82 картинок
Transistor H-bridge with diodes Transistors, Electronics circuit, Dc circuit
Контент Showy Форум по радиоэлектронике
Мост на транзисторах: найдено 85 картинок
Как работает H-мост для двигателей постоянного тока Уголок радиолюбителя
Низковольтный H-мост на полевых транзисторах IRF7307. Электронный трансформатор
Контент seavt Страница 11 Автомобильный Портал
H Bridge Motor Driver Project Guidance Arduino Forum
Ответы : Режим реостатного
Н шд найдено 87 фото
H-Bridge under Motor Control Circuits -3882- :
Полу н мост
Electronic Circuit Diagram for E-Bridge
Форум РадиоКот :: Просмотр темы H-мост
Ответы : это будет работать под прямым управлением контроллера если транз
Программируемый микроконтроллер STM32 с места в карьер / Comments / Habr
Ответы : Н-Мост. Слабо работает моторчик
Программируемый микроконтроллер STM32 с места в карьер / Comments / Habr
Arduino DC Motor Control using L298N Motor Driver PWM H-Bridge Electronics min
Ответы : Н-Мост. Слабо работает моторчик
Контент Nikolay926 Форум по радиоэлектронике
Н-мост на полевиках Страница 4 Песочница (Q&A) Форум по радиоэлектронике
Файл:H-bridge Википедия
mosfet Why this H-bridge with only N-channel FETs didn't work Electrical En
mosfet Why this H-bridge with only N-channel FETs didn't work Electrical En
Контент собака с пивом Форум по радиоэлектронике
Контент ЭльдарRND Форум по радиоэлектронике
Примеры Н-мостов
Farm regenerálás gyógyszertár kapcsoló tranzisztor sas Eltérés értesítés
Контент Гар Страница 114 Форум по радиоэлектронике
motor What is the purpose of these extra 'level shifter' BJTs on a MOSFET H-Br
Файл:H-bridge using bipolar Википедия
Anything wrong with this Mosfet H-bridge Electrical Engineering Stack Exchang
Н-Мост На Биполярниках Страница 2 Песочница (Q&A) Форум по радиоэлектроник
Контент ml_vasia Форум по радиоэлектронике
Сделал h мост на 4-х одинаковых npn транзисторах kt604 для управления направлени
Управление мостовая схема
Как правильно выбрать силовой MOSFET MyOwnDevice Дзен
Транзисторный мост схема
Помогите с H-мостом Амперка / Форум
What is the direction of current flowing through the freewheeling diodes in H-br
H мост 24 В ток 20 А Амперка / Форум
Форум РадиоКот * Просмотр темы H-мост
Н мост управление двигателем: Как работает H-мост для двигателей постоянного ток
Контент Rede RED Страница 59 Форум по радиоэлектронике
Arduino D02 драйвер шагового двигателя L298N MOTOR DRIVER купить по выгодной ц