Смотреть видео: Схема электрическая принципиальная циркуляционного насоса



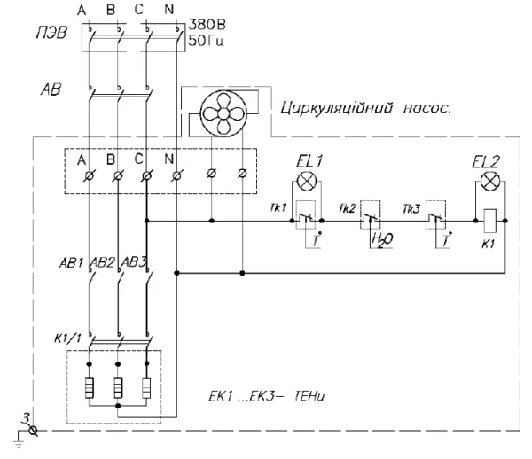
Схема электрическая принципиальная циркуляционного насоса

Схема электрическая принципиальная циркуляционного насоса
Рекомендации по выбору и монтажу циркуляционных насосов Насосы Статьи
Насос циркуляционный Grundfos UPS 50-120 F 96402103 UPS Series 200 в фирменном
Устройство циркулярного насоса для отопления и установка: Инструкция
Самовсасывающий насос с префильтром Speck BADU 40/32 (27 м3/ч. 380В). Германия -
Как составить электрическую схему циркуляционного насоса для отопления: руководс
Циркуляционный насос wilo 7EBA2B279E004D92B73A09E2DB204BFF купить по выгодной
Подключение насоса wilo
Ремонт посудомоечных машин Zanussi
Замена циркуляционного насоса в системе отопления
Циркуляционные насосы Grundfos MAGNA1 D ООО "Флюмтэк"
MSS.11.1.2 Multilift MSS ЭКОМАКС
Установка насоса на отопление, как правильно продумать схему системы, монтаж
Насос Wilo PB 201EA 15м повысительный купить в интернет-магазине по низкой цен
Электрическая схема циркуляционного насоса отопления (79 фото)
Схемы присоединения систем отопления и горячего водоснабжения Теплоснабжение Ста
Схема циркуляционного насоса 3 скоростного
Циркуляционный насос отопление схема подключения
ЭлектроРадиоАвтоматика. Щит управления насосами ЩУН
Схемы подключения насоса отопления: варианты и пошаговый инструктаж
Фото ПРИНЦИПИАЛЬНАЯ СХЕМА ЦИРКУЛЯЦИОННОГО НАСОСА
Схема подключения оборудования к ШУ НАПОР 3.3 при использовании датчиков уровня
Блок системы отопления, теплообменники, циркуляционные насосы, установка поддерж
Grundfos .2.1.502 арт.98280725
Свистит насос отопления, что делать
Блоки защиты и управления работой насосов
Студопедия Пример. Разработка программы управления пуском насоса
Схемы узлов управления работой отопления и горячего водоснабжения, виды регулиро
Электрическое подключение циркуляционного
Grundfos M.12.1.4
ЦИРКУЛЯЦИОННЫЙ НАСОС UPSD 40-120 F 3x400-415V PN6/10 96401948 Grundfos Сибмера
Grundfos M.12.1.4
ЦИРКУЛЯЦИОННЫЙ НАСОС UPSD 40-120 F 3x400-415V PN6/10 96401948 Grundfos Сибмера
Схема циркуляционного насоса
Габаритные размеры БЭН-ОС, БЭН-МС, БЭН-ДМС, схемы автоматизации, управление и за
Циркуляционный насос с мокрым ротором Wilo TOP-S 65/7 купить в Москве в интерн
Схемы установки циркуляционного насоса в систему отопления, его возможные неиспр
Схема электрическая циркуляционного насоса фото
Циркуляционный насос Valfex VCP 32-60G (180 мм) (93 Вт) купить в интернет-мага
Насос Ebara MR 53/1,5/180 артикул 1558006509A Цена: 7 628 руб. Описание. Характе
Управление насосами. Схемы управления насосом и схемы подключения оборудования
Схема электрическая циркуляционного насоса фото
Насос циркуляционный Grundfos UPS 65-120 F 1х230 96402278 UPS Series 200 в фир
Электрическая схема подключения насоса НДМ к сети
Электрический насос Grundfos UPS 40-180 F 1х230, 230 л/мин купить по выгодной
Смесительный узел Контент-платформа
Устройство электрокотла "Warmos".
Принцип работы схемы управления двигателем циркуляционного насоса, в ручном и ав
Схемы подключения насоса отопления: варианты и пошаговый инструктаж
ГНОМ 6-10, ГНОМ 10-10, ГНОМ 16-16, ГНОМ 25-20, ГНОМ 40-25, ГНОМ 53-10, ГНОМ 50-2
Насос для бассейна Kripsol KAN-750 (104,5 м3/ч, 380В) MarcoBravo
Циркуляционный насос IMP GHN 80-120 F (PN 10) Купить по доступной цене в интер
Насос для морской воды MICRO-50 (8,5 м3/ч, 220В) MarcoBravo
Устройство водяного насоса для отопления
Ответы : перестала работать первая скорость на насосе, а остальные работа
Диалог специалистов АВОК Русская версия Invision Power Board
Электрическая схема циркуляционного насоса для отопления
Циркуляционный насос YOS 40/6-130, с накидными гайками MarcoBravo
Электрическая схема циркуляционного насоса для отопления
Установка насоса на отопление: выбор, последовательность подключения