Смотреть видео: Схема подключения hart коммуникатора к датчику



Схема подключения hart коммуникатора к датчику

Схема подключения hart коммуникатора к датчику
Использование коммуникатора HART ® для конфигурации расходомеров Метран-350
Why We Connect 250 Ohm Resistance in Series of HART Communicator in Hindi - Yo
Интеллектуальный Датчик Давления Датчик Давления Для Автоклава Buy Датчик Давл
Перейти на страницу с картинкой
Спектрон 901 Exd М HART 14/23 Рисунок 10 схема подключения hart коммуникатора пр
Методика поверки метран найдено 83 картинок
Honeywell MCT404 hand-held HART and DE communicator
Подключение HART-коммуникатора к датчику Студопедия
Приборы ЭМИС с протколом HART
Метран-75 Студопедия
SITRANS FUS060 преобразователь сигнала. Дизайн. Подробное описание, цены на обор
Emerson 475 communicator Original Germany 475 communicator Knowledge Xi'an X
Сапфир HART-модем купить от 7 500 руб./шт. в Краснодаре от компании ООО НПП "Про
How to simulate and calibrate temperature Transmitter without temperature bath u
Схема подключения харт коммуникатора
4-20ma Датчик Для Измерения Давления С Hart Протоколом Buy Датчик Для Измерени
Схема подключения харт коммуникатор
15 HART Communicator Questions Instrumentation Tools
Подключение HART-коммуникатора к датчику Студопедия
Уровнемеры Стр 2
The program scans HartMonitor devices connected to the , HART C
HART-протокол (Highway Addressable Remoute Transduser).
Calibration Procedure Set up the guided wave radar level transmitter, HART commu
Взаимодействие с приборами "ЭМИС" по HART протоколу презентация, доклад, проек
Instrument Calibration Advanced Center for Engineering Career and Technology
1.3.5. Датчик давления элемер100
Hart протокол это найдено 87 картинок
pressure transmitter with display MSP80, View pressure transmitter with display,
Нарисовать схему регулирования и сигнализации уровня в ёмкости, выбрать приборы.
HART модем USB232 Инструменты АлиЭкспресс
Выбор датчика разности давлений для автоматизации ФГУ Автоматизация нефтеперек
Схема подключения харт коммуникатора
АИР-20/М2 датчик (преобразователь) давления: описание, купить
Расходомер Метран-350: Руководство по эксплуатации, страница 73
4.1.3 Интеллектуальный датчик
How to Calibrate a Pressure Transmitter using HART Communicator Transmitter, Tec
Методика расчета РППД. Выбор сужающего устройства, дифманометра и вторичного при
HART-протокол (Highway Addressable Remoute Transduser).
Общие сведения о средствах измерений и контроля 4 страница
Датчики давления общепромышленного применения. Датчики давления кислот и щелочей
Holykell Oem Udara Cair 4-20ma China Tekanan Pemancar Buy 4-20ma Pemancar Teka
Коммуникатор Метран-650
1.3.5. Датчик давления элемер100
Как работают датчики с HART-протоколом ОВЕН. Приборы для автоматизации Дзен
Основные характеристики запорнорегулирующего клапана с электрическим исполнитель
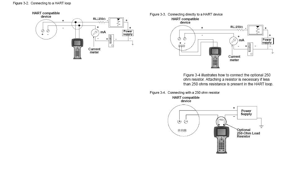
Why we use 250 ohm Resistor in series HART Communicator explained in Hindi Instr
HART communicator features and connection Instrumentation and Control Engineerin
Расходомер Метран-350: Руководство по эксплуатации, страница 43
SITRANS FX300. SITRANS F X (Vortex). Расходомеры. Контрольно-измерительные прибо
АМ-2000 датчики (преобразователи) давления с HART ГК "Теплоприбор"
Измерительные преобразователи температуры. Виды, устройство, монтаж, диагностика
Руководство по эксплуатации ДТСхх5М.И термопреобразователи сопротивления с выход
Монтаж устройства Студопедия
Как подключить коммуникатор: найдено 88 изображений
Отчет по производственной практике по специализации: Слесарь по контрольно-измер
HART communicator features and connection Instrumentation and Control Engineerin
HART communicator features and connection Instrumentation and Control Engineerin
Коммуникатор Метран-650
Коммуникатор Метран-650