Смотреть видео: Схема подключения реле вентилятора ваз 2110



Схема подключения реле вентилятора ваз 2110

Схема подключения реле вентилятора ваз 2110
Как подключить реле вентилятора
S76a схема подключения датчика включения вентилятора
Схема включения вентилятора охлаждения ваз 2115 инжектор
Схема включения вентилятора ваз 2107 карбюратор фото
Нужна помощь / ГБО Сообщество "ГАЗ Волга" на DRIVE2
Использование доп.выводов ЭБУ Lada Приора универсал, 1,6 л, 2011 года тюнинг D
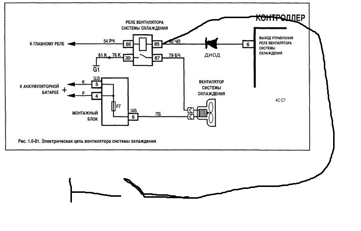
Управление вентилятором охлаждения ваз
Принудительное включение вентилятора радиатора в Logan. Часть 1. Dacia Logan (
почти, завершение проекта . Lada 21114, 1,6 л, 2007 года просто так DRIVE2
Схема подключения вентилятора охлаждения ваз 2115 фото
запускаем вентилятор через реле Opel Vectra A, 1,6 л, 1989 года электроника DR
Схема подключения вентилятора охлаждения через реле и датчик температуры ваз Лок
Схема реле вентилятора ваз 2106 подключения 88 фото
Картинки ПРИНУДИТЕЛЬНО ВКЛЮЧИТЬ ВЕНТИЛЯТОР
Схема подключения электровентилятора через реле на газель 93 фото
Как проверить реле вентилятора охлаждения ваз
Кнопка включения вентилятора (минус постоянный, плюс управляющий) Lada 2113, 1
Как подключить вентилятор на ваз
Электровентилятор ВАЗ-2110 (Чертеж № 218: список деталей, стоимость запчастей).
Правильная схема подключения эл.вентилятора e46 в 39 BMW 5 series (E39), 2,8 л
Где реле вентилятора ваз 2115
Замена стандаптного вентилятора на винтелятор на Ваз 2108 Lada 4x4 3D, 1,7 л,
ХЕЛП как установить электровентиляторы Toyota Mark II (90), 2,5 л, 1996 года п
нет питания на вентилятор охлаждения ваз 2114 инжектор
Skoda Octavia замена вентилятора охлаждения двигателя
Реле
Подключение датчика включения вентилятора
Подскажите по плавному пуску вентилятора Сообщество "ГАЗ Волга" на DRIVE2
Подключение вентилятора охлаждения через реле и кнопку
Схема подключения вентилятора охлаждения ваз 2109 карбюратор 84 фото
Принудительное включение вентилятора Lada 2109, 1,5 л, 1997 года электроника D
Шаманство с вентилятором. Lada 21093, 1,5 л, 1993 года тюнинг DRIVE2
Дополнительный вентилятор. Lada 21124, 1,6 л, 2005 года своими руками DRIVE2
Кнопка включения вентилятора Lada 2114, 1,5 л, 2004 года своими руками DRIVE2
кнопка включения вентилятора охлаждения DRIVE2
Установка 2 эл.Вентилятора. Сообщество "ВАЗ: Ремонт и Доработка" на DRIVE2
Схема охлаждения ваз 2110 инжектор 8 клапанов
Кнопка включения вентилятора радиатора охлаждения ВАЗ 2110 Lada 21102, 1,5 л,
Турбо помпа "ЛУЗАР 2" и включение вентилятора от кнопки ваз 2114 DRIVE2
Не включается вентилятор ваз 60 фото
Подключение кнопки включения вентилятора Honda Civic Aerodeck, 1,5 л, 1998 год
Почему не срабатывает вентилятор охлаждения: найдено 89 изображений
Вопрос № 2 Реле на датчик вентилятора Opel Vectra A, 1,6 л, 1992 года электрон
Показать сообщение отдельно Установка электро-вентилятора (карлсо
Переносим "массу" Карлсона. Lada 2115, 1,5 л, 2004 года тюнинг DRIVE2
Где находится реле включения вентилятора ваз 2109. Схема подключения вентилятора
Управление вентилятором с ЭБУ. Lada 21093, 1,5 л, 1996 года тюнинг DRIVE2
Варианты включения вентилятора ВАЗ. DRIVE2
Переход на электровентилятор Lada 21053, 1,6 л, 1998 года электроника DRIVE2
Картинки СХЕМА ПОДКЛЮЧЕНИЯ ВЕНТИЛЯТОРА ЧЕРЕЗ ДАТЧИК
Дополнения к теме по установке электрооборудования от 2110 Lada 2109, 1,5 л, 1
Втягивающее реле ваз 2104 54 фото
Установка электровинта охлаждения двигателя Lada 4x4 3D, 1,6 л, 1984 года тюни
кнопка включения вентилятора охл. (решено) Сообщество "ВАЗ: Ремонт и Доработка
Решение проблемы с высокой температурой включения вентилятора охлаждения ВАЗ 211
Принудительное включение вентилятора Lada 21124, 1,6 л, 2005 года электроника
Небольшая доработка по ВКЛ вентилятора охлаждения. Сообщество "ВАЗ: Ремонт и Д
Включение вентилятора на малые обороты Lada 21120, 1,5 л, 2001 года электроник
Принудительное включение вентилятора системы охлаждения. Lada 2115, 1,5 л, 200