Смотреть видео: Схема предохранителей пассат б3 2е инжектор



Схема предохранителей пассат б3 2е инжектор

Схема предохранителей пассат б3 2е инжектор
Предохранители фольксваген пассат б3 универсал схема предохранителей Kaptur-Russ
VW Passat B6/B7 Сlub Форум
распиновка блока реле и предохранителей для автомобилей Volkswagen: Golf MK2 D
01 Jetta Fuse Box Volkswagen jetta, Fuse box, Vw jetta
Черный ящик он же блок реле и предохранителей пассат б 3 Сообщество "VAG Club"
Схема электрооборудования Фольксваген Пассат Б3
Распиновка эбу пассат б4 Локо Авто.ру
Перечень предохранителей автомобиля VOLKSWAGEN PASSAT B3 1988-1996 " Схемы предо
Не работает сигнал в Пассате Б5: как вернуть звук самостоятельно
ЭЛЕКТРИЧЕСКИЕ СХЕМЫ VOLKSWAGEN Passat B3 и B4(часть 2) Volkswagen Passat B4, 1
Системы впрыска топлива. Регулировка. (1 часть) DRIVE2
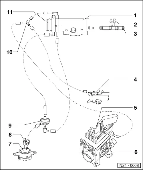
трубки вакуума схема подключения 2Е Volkswagen Passat Variant (B3), 2 л, 1993
Полная распиновка блока предохранителей и реле Corrado, Golf и Jetta 89-99, Pass
Фольксваген пассат б4 схема предохранителей 81 фото
Распиновка блока предохранителей Пассат б6 дизель
Блок предохранителей пассат б3 1.8
Полная распиновка блока реле и предохранителей для автомобилей Volkswagen: Golf
2002 Audi A4 Quattro Wiring Diagram #diagram #diagramtemplate #diagramsample Car
Расположение реле DRIVE2
Схема блока предохранителей Audi 80 b4 1z и задние тормозные диски Audi 80 (B4
Блоки предохранителей и реле на Passat B4
Swap ADY Часть вторая. Проводка. Volkswagen Golf Mk2, 2 л, 1989 года своими ру
Volkswagen Workshop Service and Repair Manuals Passat (B3) Power unit Digifant I
Перечень предохранителей автомобиля VOLKSWAGEN PASSAT B3 1988-1996 " Схемы предо
Ауди 80 б2 предохранители
Плавают обороты от 600 до 1800! Audi 100 (C4), 2 л, 1991 года поломка DRIVE2
Схема и распиновка тыльной стороны блока реле и предохранителей гольф 3 Фотопо
Технические детали: реле бензонасоса для Фольксваген Б3 Фотогалерея мыслей varva
Полный перекрас. Снятие всей подкапотной проводки. Volkswagen Passat B3, 2,8 л
Электросхема пассат Volkswagen Passat B3, 1,8 л, 1989 года электроника DRIVE2
Блок предохранителей Volkswagen Passat 1992 B3 2E 357937039 купить Б/У id11508
Перечень предохранителей автомобиля VOLKSWAGEN PASSAT B3 1988-1996 " Схемы предо
Схемы электрооборудования VOLKSWAGEN PASSAT B3 1988-1996 " Схемы предохранителей
Пассат б3 предохранители 2е
Блок предохранителей VW Passat B3 1.8 купить в интернет-магазине по низкой цен
Полная распиновка блока предохранителей и реле Corrado, Golf и Jetta 89-99, Pass
VW Passat/Пассат B3 и B4 (эксплуатация, ремонт...) Форум
Реле и предохранители пассат б3 найдено 82 картинок
Электросхемы Пассат Б3 часть3 DRIVE2
Пассат б3 какой предохранитель отвечает найдено 86 картинок
Блок предохранителей и реле Volkswagen Passat B4, 1,9 л, 1996 года электроника
Volkswagen Passat B4 (1993-1996) fuse and relay box AvtoTachki
Диодизация. Подсветка номера. И пара вопросов. Volkswagen Passat B3, 1,8 л, 19
VW Passat/Пассат B3 и B4 (эксплуатация, ремонт...) Форум
Предохранители и реле Volkswagen Passat B2 / Santana (1981-1988) " Схемы предохр
Пассат б3 предохранители 2е
Предохранители и реле Volkswagen Passat B2 / Santana (1981-1988) " Схемы предохр
Блок предохранителей и реле Volkswagen Passat B3 B4 Блоки предохранителей
Стеклоподъёмники заработали как положено SEAT Toledo (1G), 1,9 л, 1998 года эл
Предохранители Volkswagen Passat B3 и B4: схема, расположение блоков
СХЕМЫ БЛОКА ПРЕДОХРАНИТЕЛЙ И ЩИТКА ecufix
Пассат б3 где находятся предохранители: найдено 86 изображений
предохранители и реле DRIVE2
Иллюстрация 17 из 20 для Volkswagen Passat B3/B4. Руководство по эксплуатации, т
Появились неисправности. Passat b3 Volkswagen Passat B3, 1,8 л, 1992 года свои
Электросхемы Пассат Б3 часть3 DRIVE2
Электроника б4 DRIVE2
Погружение в мир VW part 4.1.1 (Задние противотуманные фонари) Volkswagen Pass
Электроника б4 DRIVE2