Смотреть видео: Схема принципиальная однолинейная электрическая гост образец



Схема принципиальная однолинейная электрическая гост образец

Схема принципиальная однолинейная электрическая гост образец
Построение однолинейных схем онлайн
Комплектные трансформаторные подстанции наружной установки тупиковые киоскового
Типовая Схема Электроснабжения Трёхкомнатной Квартиры
Работы электрика Александр Леонидович, Архангельск. Составление однолинейных схе
Проект электроснабжения (проектирование электроснабжения) Пирэксперт
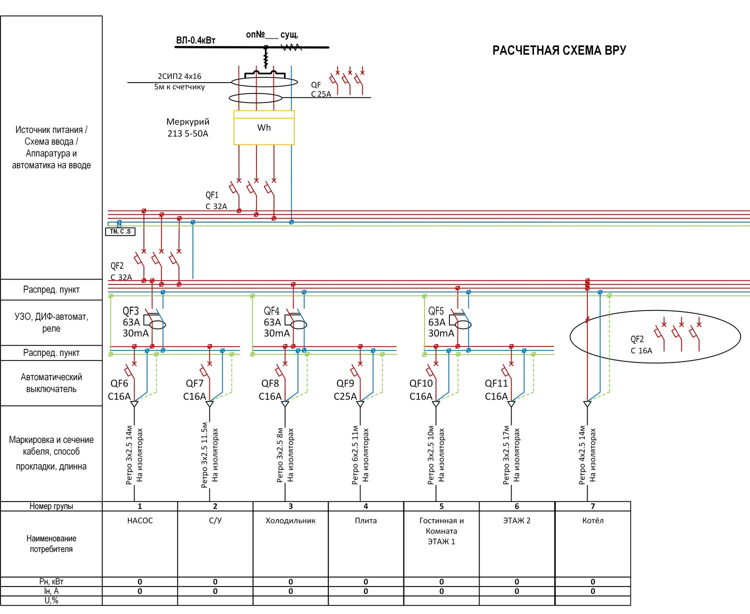
ЭС деревянного дома. Расчетная однолинейная схема щита.
Презентация 1.0. Строительная проектная документация в трех частях Speaker D
Дмитрий Гриб Ремонт и строительство, Проектирование строительных объектов и со
Импульсное реле на однолинейной схеме
Сборка Электрощитов в Норильске Услуги Авито
Силовое оборудование и электроосвещение квартиры
Однолинейная схема и проект для частного дома, цеха, предприятия, вру, ктп.
Замер сопротивления изоляции в Протвино: 99 мастеров по ремонту электрооборудова
Монтаж ктп мтп пск посты секционирования в Москве: 7 исполнителей с отзывами и ц
Однолинейная схема щк1
Презентация 1.0. Строительная проектная документация в трех частях Speaker D
Неактивно
Монтаж систем электроснабжения и электрооборудования в двухкомнатной квартире в
Монтаж кабель-канала в Сивково Электромонтажные работы Ремонт и строительств
Проектирование систем безопасности во Владимире Проектирование строительных об
Однолинейная схема подключения оборудования
Проект системы электроснабжения здания Хаус Эксперт Тула
Однолинейная схема
Разработка электронных схем в Москве: 53 исполнителя с отзывами и ценами на Янде
Однолинейная схема щита: программа для отрисовки по ГОСТ
Торгвый центр. г.Москва. Схемы однолинейные ВРУ, ГРЩ
Контактор на однолинейной схеме
Электроснабжение (ЭОМ) Административное здание стоянки Схема электрическая п
Проект реконструкции распределительной подстанции 6 кв в Москве: 73 исполнителя
Торгвый центр. г.Москва. Схемы однолинейные
Однолинейная схема гост
Оформление однолинейных схем внутреннего освещения
Проект электроснабжения ресторана, проектирование электрики ресторанов Компания
Скачать Типовой проект 902-2-406.86 Альбом IV. Силовое электрооборудование. Элек
Проектировщик слаботочных систем в Москве: 93 проектировщика со средним рейтинго
Проект электропроводки квартиры: описание Принципиальная схема, Электропроводка,
Скачать Типовой проект 903-1-158 Альбом X. Силовое электрооборудование и электро
Engineering center "Energoservice"
Однолинейная расчетная схема. ЩУР (электроснабжение коттеджа): Портфолио фриланс
ООО "Теплосфера" цены на услуги и продукцию
Электроснабжение коттеджа "Мечта" в Невском районе г. Санкт-Петербург презента
Примеры однолинейных схем электрических сетей
Электроснабжение Math, Math equations, Diagram
HOMEBERRY Инженерные проекты
Legrand. Альбом типовых проектов электроснабжения
Схема электропитания фото
Как начертить однолинейную схему электроснабжения на компьютере: Чертим однолине
Разбираемся в электрических схемах
Восстановление и разработка однолинейной схемы электроснабжения в Санкт-Петербур
Однолинейная схема
Принципиальная схема электроснабжения квартиры Учебник, Принципиальная схема
проектирование домов Установка, аренда, монтаж оборудования в Казани Услуги на
Однолинейные электрические схемы, составление в Омске Услуги Авито
Сборка электрощита для частного дома, квартиры. Хитрости сборки.Электрощиты. Сбо
Однолинейная схема электроснабжения образцы и условные обозначения однолинейны
Фотографии работы: Электроснабжение офисного здания, проект электрики
Сборка электрощита для частного дома, квартиры. Хитрости сборки.Электрощиты. Сбо
Картинки ТРЕБОВАНИЯ К ЭЛЕКТРИЧЕСКИМ ЩИТАМ
Проект электроснабжения за 2 000 руб., исполнитель Алексей (alexx127) Kwork